IND780仪表具有多种接口和通信方式,包括串行、以太网、USB和各种现场总线等,可满足不同客户的需求。它还可以配置多达四台秤和一台通过计量制认证的总和天平,提高称重速度和准确度。
IND780称重仪表采用模块化设计,支持简单到复杂、单独到集成称重与控制过程。它还具有多种高级功能,如自动校准、重量累计、数字显示、限位开关、报警输出等。
此外,IND780还采用了高亮度LED显示屏,显示清晰易读,并且具有防尘设计,适用于各种恶劣的工业环境。
IND780称重仪表采用 IND780 微处理器设计机构,可提高处理能力。可以利用可配置软键对重要特性和功能进行单键操作。它采用 304 不锈钢结构、具有清洁的表面以及其它食品加工和制药工业所需要的特点,可满足严格的清洗要求。
IND780称重仪表特征和利益
各种梅特勒-托利多技术的*组合:模拟、POWERCELL™、IDNet 或 X-Base (SICS)。
标准配置为以太网、两个串行端口和一个外置键盘用 USB 主接口。
采用流行的网络协议进行 Fieldbus 连接:Allen-Bradley RIO®、PROFIBUS®、ControlNet™、EtherNet/IP™ 和 DeviceNet™。
可为多传感器技术、网络化、PLC和其它技术提供连接。
可进行从基本的串行协议到自定义 PLC 数据模板的各种通讯。
可以利用基本功能、任选应用程序或 TaskExpert™ 编程工具自定义方案。



装备选项:
面板式、台式和墙式安装
显示器
背后照明型液晶图形显示屏;320 x 240 象素;QVGA,145 mm (5.7 in);彩色 TFT。
保护等级
IP69k(防尘式)
Suitable platbs / weigh modules
每条通道内的模拟台秤(10 VDC ex、***多(8个) 350Ω 的称重单元、2 或 3 mV/V)、POWERCELL&﹟174; PDX&﹟174;、POWERCELL&﹟174; MTX&﹟174;、IDNet 台秤、X-Base SICS
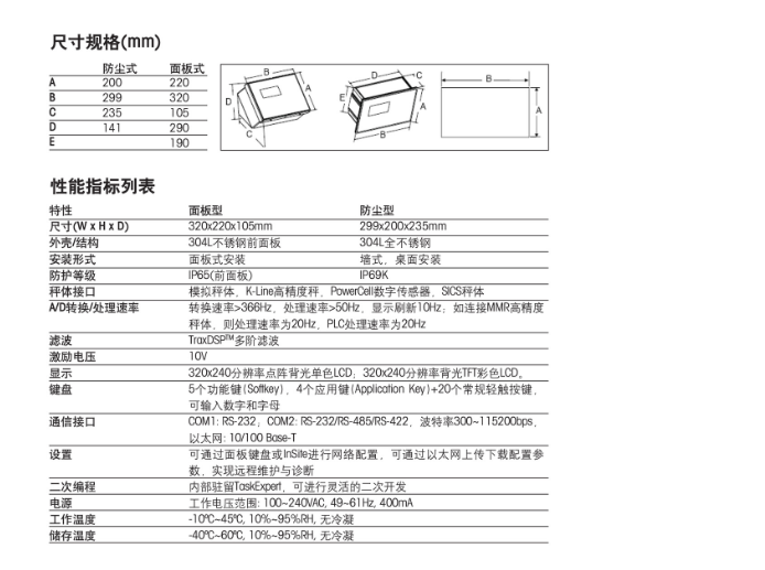
尺寸
面板式:220 x 320 x 105 mm(8.7 x 12.6 x 4.1 in.),防尘式 /墙式:200 x 299 x 235 mm(7.8 x 11.8 x 9.3 in.)
公司简介:江西赛衡自动化设备有限公司位于江西省赣州市
我司是一家集研发、加工生产、代理销售传感器的现代化公司,
公司的宗旨是“以更合理的价格、更完善的服务,为客户提供优质的产品”;
公司的理念是“品质至上 诚信为重 用心服务”,我们将以信赢取客户,坦诚对待每一位用户,言必行,行必果!
以客户需求为导向,以提高客户生产效率及质量为己任,不断引进*技术和产品,为客户带来更为全面的解决方案。
我们的产品将主要服务于纺织印染、建筑工程、食品加工、交通运输与物流、学术与教育机构以及水、电、气、环保等行业。
我司主营产品:德国申克SCHENCK 德国HBM 美国TRANSCELL传力 梅特勒托利多METTLER TOLEDO 美国TEDEA特迪亚 德国富林泰克FLINTEC 美国CELTRON世铨 意大利Rice Lake 狄纳乔 韩国CAS凯士 中航电测ZEMIC 广州广测 宁波柯力 加拿大永正